A:link { COLOR: #000000; TEXT-DECORATION: none } A:visited { COLOR: #000000; TEXT-DECORATION: none } A:hover { COLOR: #ff0000; TEXT-DECORATION: underline } A:active { COLOR: #990033; TEXT-DECORATION: underline } BODY { SCROLLBAR-FACE-COLOR: #ffffff; FONT-SIZE: 12pt; SCROLLBAR-HIGHLIGHT-COLOR: #9cc1fe; SCROLLBAR-SHADOW-COLOR: #9cc1fe; SCROLLBAR-3DLIGHT-COLOR: #ffffff; LINE-HEIGHT: normal; SCROLLBAR-ARROW-COLOR: #9cc1fe; SCROLLBAR-TRACK-COLOR: #f6f6f6; font-family: "Times New Roman" text-decoration: none; SCROLLBAR-DARKSHADOW-COLOR: #ffffff; background-image: url(images/background.gif); margin-top: 0px; font-family: "Times New Roman", Times, serif; } TD { FONT-SIZE: 12pt; LINE-HEIGHT: 150%; FONT-FAMILY: "Times New Roman", Times, serif} TD.tablebody1 { BACKGROUND-COLOR: #ffffff } P { FONT-SIZE: 12pt; LINE-HEIGHT: 150%; FONT-FAMILY: "Times New Roman", Times, serif} .title_txt { FILTER: dropshadow(color=#ffffff, offx=1, offy=1, positive=1); WIDTH: 100% } .title_td1 { BORDER-RIGHT: #9cc1fe 1px solid; BORDER-TOP: #9cc1fe 1px solid; BORDER-LEFT: #9cc1fe 1px solid; BORDER-BOTTOM: #9cc1fe 1px solid } .title_td2 { BORDER-RIGHT: #cccccc 1px solid; BORDER-TOP: #cccccc 1px solid; BORDER-LEFT: #cccccc 1px solid; BORDER-BOTTOM: #cccccc 1px solid } .style1 { font-size: 12px; font-weight: bold; }
|
|
Toll Free: |
||||||||||||||||||||||||
|
|
|||||||||||||||||||||||||
![]() |
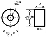
Oriented through Thickness (M) |
||||||||||||||||||||||||
|
|||||||||||||||||||||||||
![]() |
All dimensions approximate. Other sizes and grades
may be available on request. Minimum order quantities apply. |
||||||||||||||||||||||||
|
Copyright © ALL Magnetics
Inc Tel: 714-632-1754 Address: 2831 Via Martens, Anaheim, CA 92806
|